
联系电话:0516-87231118
录入时间:2019-9-29 9:50:45
用途与特征
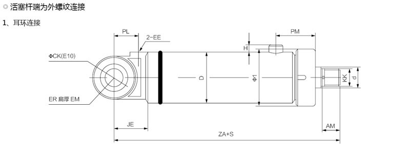
HSG型系列液压缸是双作用单杄活塞式液压缸,安裝方式多采用耳环型。按缸盖与缸伓的联接方式,可分为外螺纹联接式、内卡键联接式及法兰联接式三种。目前广泛应用于工程机械、矿山机械、起重机械、冶金机械、运输、船舶、机床、石油化工、军工等行业。




注:
1、速比Ψ:系指活塞有效面积与活塞杆腔有效面积之比。
2、最大行程原则上是:Ψ=1.33时,S=8D(缸径);Ψ=1.46时,S=10D(缸径);Ψ=2时,S=12D(缸径)
3、用户所需S大于表中规定最大行程时,应通过双方协商解决。
4、铰轴连接的最小行程S1按表5、6、7、8选定。
5、可承接缸径Φ250至Φ400油缸的设计制造,具体要求请与我厂技术部门联系。




