红足1世新2登录 - 手机app官方版免费安装
网站首页
关于我们
产品展示
荣誉资质
生产车间
新闻资讯
在线留言
联系我们
PRODUCTS
产品展示
产品展示
标准液压油缸
非标准液压油缸
您当前所在位置:
首页
>
产品展示
>
非标准液压油缸
>
HSG系列液压油缸
产品名称:
外螺纹活塞杆液压油缸
联系电话:
0516-87231118
录入时间:
2019-9-29 10:33:32
详情介绍
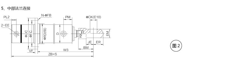
活塞杆端为外螺纹杆头耳环链接
上一个产品:
单杆活塞式液压油缸
下一个产品:
内螺纹活塞杆液压油缸
网站首页
产品展示
一键拨打