
联系电话:0516-87231118
录入时间:2019-9-29 14:43:57

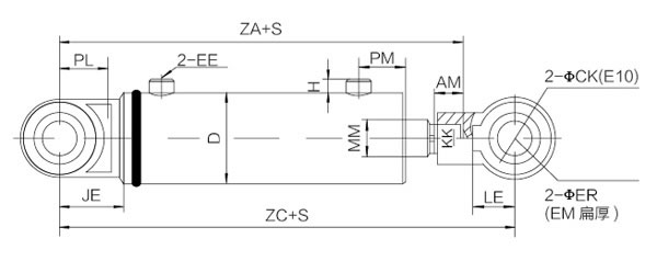
1、耳环连接

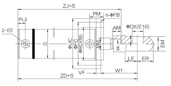
2、前法兰连接

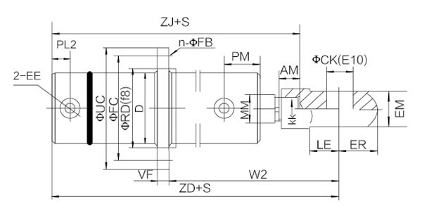
3、中部法兰连接

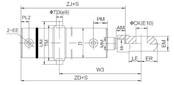
4、中部铰轴连接
使用与维护
1、推荐使用纯净的20#~30#机油或3#锭子油,并在油路中不得有任何杂质。油温在5°~65°范围内正常工作。油液粘度规定为50℃时运动粘度为30厘沲或40沲。
2、液压缸在工作前,必需在低压(大于起动压力)状况下进行多次往复运动,排除缸内的气体后进行正常工作。
3、折卸液压缸时注意事项:
a、拆卸之前使液压回路内的压力降低为零。
b、拆卸时应防止损伤活塞杆顶端螺纹。
C、由于液压缸结构和大小不同,拆即的顺序也稍有不同。
一般应先松开端盖的紧固螺栓。
内卡链式的卡键应用专用工具,法兰式拆法兰端盖时必需用螺钉顶出,不允许锤打式硬撬。
在拆除活塞和活塞杆时不应硬性,从缸筒打出以免损伤缸筒内壁。
4、周围环境的影响及处理意见
a、在风雨环境中,液压缸表面途好防锈油漆。
b、在高温作业环境中,应在液压缸周围设防热装置如石棉板等挡上。
C、在尘土较大的作业环境下,机构应考虑附加防尘罩等。
液压缸的常见故障及排除方法
液压缸在使用中,如发现有故障时,可参照下述方法维修。
