PRODUCTS产品展示

产品展示

您当前所在位置:首页>产品展示>标准液压油缸
CD350F差动重载液压油缸

产品名称:CD350F差动重载液压油缸

联系电话:0516-87231118

录入时间:2019-9-29 15:10:01

详情介绍

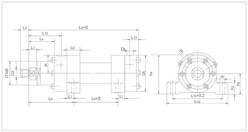
  本系列液压缸是由14种缸径,分别按两种速比组成28种规格的单活塞双作用差动大型油缸。另外缸规格∕技术参数头法兰、中间轴销和底座安装三种还可作成双活塞双作用等速大型油缸,再加上有无缓冲与上述28种规格组成384个品种。其安装形式和尺寸符合德国钢厂和ISO3320标准,特别适合环境恶劣、重载的工作状态。广泛应用于钢铁、铸造、锻造及机械制造等工业部门。


  外形尺寸

红足1世新2登录


  技术参数

红足1世新2登录

上一个产品:Y-HG型冶金设备标准液压油缸
下一个产品:没有了